江南·体育为您主要提供云南江南·体育设备,云南江南·体育剂,江南online(中国)工程等相关的展示和信息更新,欢迎您的收藏。
江南online(中国)安装品牌企业 优质冷库,做足"面子"
二维码
定制热线: 13888709601 定制您的冷库安装专属方案
联系我们
咨询热线
13888709601
全国售后热线:
13888709601
邮箱:1105409420@qq.com
地址:云南昆明市盘龙区二环东路473号

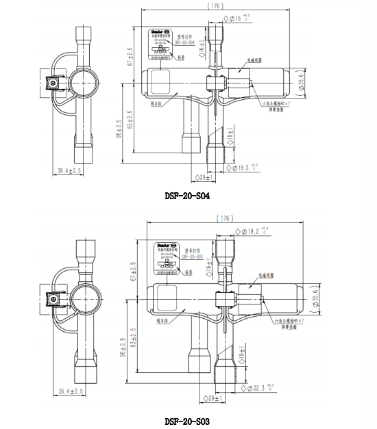
盾安三通化霜阀产品说明书

发布时间:2017-7-6 0:00:00    来源:/news358560.html    

  盾安三通化霜阀产品说明书

相关产品
首页 关于我们 江南online(中国) 工程案例 新闻资讯 联系我们 网站地图 XML

Copyright©www.ddbiqu.com ( 点击复制 )江南·体育  

云南江南·体育设备怎么样?云南江南·体育剂哪家便宜?江南online(中国)工程哪家好?江南·体育主要提供云南江南·体育设备,云南江南·体育剂,江南online(中国)工程

热门城市推广:    Powered by  

备案号:滇ICP备14001352号-1

微信联系我们